Product Summary
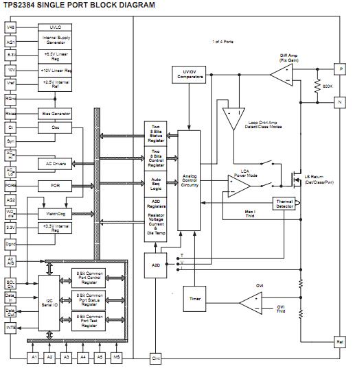
The TPS2384PAP is a quad-port power sourcing equipment power manager (PSEPM) and is compliant to the Power-over-Ethernet (PoE) IEEE 802.3af standard. The TPS2384PAP operates from a single 48-V supply and over a wide temperature range. The integrated output eliminates 2 external components per port (FET and sense resistor) and will survive 100-V transient. Four individual 15-bit A/D converters are used to measure port voltage, current and die temperature making PSE solution simple and robust. The TPS2384PAP comes with a comprehensive software solution to meet the most demanding application which can serve as a core for all PoE system designs. The applicaitons of the TPS2384PAP include Ethernet Enterprise Switches, Ethernet Hubs, SOHO Hubs, Ethernet Mid-Spans and PSE Injectors.
Parametrics
TPS2384PAP absolute maximum ratings: (1)V10 current sourced: 100 μA; (2)V3.3 current sourced: 5 mA; (3)Applied voltage on #CINT, CT, RBIAS: -0.5 to +10V; (4)Applied voltage on SCL_I, SDA_I, SDA_O, INTB, A1, A2, A3, A4,; (5)A5, MS, PORB, WD_DIS, ALT_A/B, AC_LO, AC_HI: -0.5 to +6 V; (6)Applied voltage on V48, #P, #N: -0.5 to +80V; (7)Junction operating temperature TJ: -40 to 125℃; (8)Storage temperature Tstg: -55 to 150℃; (9)Lead temperature (soldering, 10 sec.) Tsol: 260℃.
Features
TPS2384PAP features: (1)Quad-Port Power Management With Integrated Switches and Sense Resistors; (2)Compliant to IEEE 802.3af Standard; (3)Operates from a Single 48-V Input Supply; (4)Individual Port 15-bit A/D; (5)Auto, Semi-Auto and Manual Operating Modes; (6)Controlled Current Ramps for Reduced EMI and Charging of PD’s Bulk Capacitance; (7)I2C Clock and Oscillator Watch Dog Timers; (8)Over-Temperature Protection; (9)DC and DC Modulated Disconnect; (10)Supports Legacy Detection for Non-Compliant PD; (11)Supports AC Disconnect; (12)High-Speed 400-kHz I2C Interface; (13)Comprehensive Power Management Software Available; (14)Operating Temperature Range -40 to 125℃.
Diagrams

| Image | Part No | Mfg | Description | ![]() |
Pricing (USD) |
Quantity | ||||||||||||
|---|---|---|---|---|---|---|---|---|---|---|---|---|---|---|---|---|---|---|
![]() |
![]() TPS2384PAP |
![]() Texas Instruments |
![]() Hot Swap & Power Distribution Quad Ethernet Srcng Equipment Mngr |
![]() Data Sheet |
![]()
|
|
||||||||||||
![]() |
![]() TPS2384PAPG4 |
![]() Texas Instruments |
![]() Hot Swap & Power Distribution Quad Ethernet Srcng Equipment Mngr |
![]() Data Sheet |
![]()
|
|
||||||||||||
![]() |
![]() TPS2384PAPRG4 |
![]() Texas Instruments |
![]() Hot Swap & Power Distribution Quad Ethernet Srcng Equipment Mngr |
![]() Data Sheet |
![]()
|
|
||||||||||||
![]() |
![]() TPS2384PAPR |
![]() Texas Instruments |
![]() Hot Swap & Power Distribution Quad Ethernet Srcng Equipment Mngr |
![]() Data Sheet |
![]()
|
|
||||||||||||
(Hong Kong)









