Product Summary
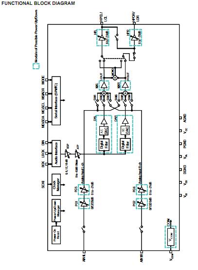
The PCM1774RGPR is a low-power designed for portable digital audio applications. The device integrates headphone amplifier, line amplifier, line input, boost amplifier, programmable gain control, analog mixing, and sound effects. The PCM1774RGPR is available in a small-footprint, 4-mm × 4-mm QFN package. The PCM1774RGPRsupports right-justified, left-justified, I2S, and DSP formats, providing easy interfacing to audio DSP and decoder/encoder chips. Sampling rates up to 50 kHz are supported. The user-programmable functions are accessible through a two- or three-wire serial control port. The applicastions of the PCM1774RGPR include Portable Audio Player, Cellular Phon, Video Camcorder, Digital Still Camer and PMP/DMB/PND.
Parametrics
PCM1774RGPR absolute maximum ratings: (1)Supply voltage, VDD , VIO , VCC , VPA: – 0.3 to 4 V; (2)Ground voltage differences: DGND, AGND, PGND: ± 0.1 V; (3)Input voltage: – 0.3 to 4 V; (4)Input current (any pin except supplies): ± 10 mA; (5)Ambient temperature under bias: – 40 to 110℃; (6)Storage temperature: – 55 to 150℃; (7)Junction temperature: 150℃; (8)Lead temperature (soldering): 260℃, 5 s; (9)Package temperature (reflow, peak): 260℃.
Features
PCM1774RGPR features: (1)Analog Front End: Stereo Single-Ended Input; Microphone Amplifier (12 dB, 20 dB); (2)Analog Back End:Stereo/Mono Line Output With Volume; Stereo/Mono Headphone Amplifier With Volume; (3)Analog Performance: Dynamic Range: 93 dB; 40-mW + 40-mW Headphone Output at R L = 16Ω; (4)Power Supply Voltage: 1.71 V to 3.6 V for Digital I/O Section; 1.71 V to 3.6 V for Digital Core Section; 2.4 V to 3.6 V for Analog Section; 2.4 V to 3.6 V for Power Amplifier Section; (5)Low Power Dissipation: 6.4 mW in Playback, 1.8 V/2.4 V, 44.1 kHz; 3.3 μ W in Power Down; (6)Sampling Frequency: 5 kHz to 50 kHz; (7)Operation From a Single Clock Input Without PLL; (8)System Clock: Common-Audio Clock (256 f S /384 f S ), 12/24, 13/26, 13.5/27, 19.2/38.4, 19.68/39.36 MHz; (9)2 (I2C) or 3 (SPI) Wire Serial Control; (10)Programmable Function by Register Control: Digital Attenuation: 0 dB to – 62 dB; Digital Gain of DAC: 0, 6, 12, 18 dB; Power Up/Down Control for Each Module; 6-dB to – 70-dB Gain for Analog Outputs; 0/12/20 dB for Microphone Input; 0-dB to – 21-dB Gain for Analog Mixing; Three-Band Tone Control and 3D Sound; Analog Mixing Control; (11)Pop-Noise Reduction Circuit; (12)Short Protection Circuit; (13)Package: 4-mm × 4-mm QFN Package; (14)Operation Temperature Range: – 40 to 85℃.
Diagrams

| Image | Part No | Mfg | Description | ![]() |
Pricing (USD) |
Quantity | ||||||||||
|---|---|---|---|---|---|---|---|---|---|---|---|---|---|---|---|---|
![]() |
![]() PCM1774RGPR |
![]() Texas Instruments |
![]() Audio D/A Converter ICs Lo-Pwr Stereo DAC |
![]() Data Sheet |
![]()
|
|
||||||||||
![]() |
![]() PCM1774RGPRG4 |
![]() Texas Instruments |
![]() Audio D/A Converter ICs Low-Pwr Stereo DAC with HP Amp |
![]() Data Sheet |
![]()
|
|
||||||||||
(Hong Kong)









