Product Summary
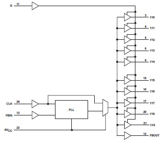
The CDCF2510PW is a 3.3-V phase-lock loop clock driver. It uses a PLL to precisely align, in both frequency and phase, the feedback (FBOUT) output to the clock (CLK) input signal. It is specifically designed for use with synchronous DRAMs. The CDCF2510PW operates at 3.3 V VCC. The CDCF2510PW also provides integrated series-damping resistors that make it ideal for driving point-to-point loads.
Parametrics
CDCF2510PW absolute maximum ratings: (1)Supply voltage range, AVCC: AVCC < VCC +0.7 V; (2)Supply voltage range, VCC: –0.5 V to 4.6 V; (3)Input voltage range, VI: –0.5 V to 6.5 V; (4)Voltage range applied to any output in the high or low state,; (5)VO: –0.5 V to VCC + 0.5 V; (6)Input clamp current, IIK (VI < 0): –50 mA; (7)Output clamp current, IOK (VO < 0 or VO > VCC): ±50 mA; (8)Continuous output current, IO (VO = 0 to VCC): ±50 mA; (9)Continuous current through each VCC or GND: ±100 mA; (10)Maximum power dissipation at TA = 55℃ (in still air): 0.7 W; (11)Storage temperature range, Tstg: –65℃ to 150℃.
Features
CDCF2510PW features: (1)Designed to Meet PC133 SDRAM Registered DIMM Specification Rev. 0.9; (2)Spread Spectrum Clock Compatible; (3)Operating Frequency 25 MHz to 140 MHz; (4)Static tPhase Error Distribution at 66MHz to 133 MHz is ±125 ps; (5)Jitter (cyc – cyc) at 66 MHz to 133 MHz Is |70| ps; (6)Available in Plastic 24-Pin TSSOP; (7)Phase-Lock Loop Clock Distribution for Synchronous DRAM Applications; (8)Distributes One Clock Input to One Bank of Ten Outputs; (9)Output Enable Pin to Enable/Disable All 10 Outputs; (10)External Feedback (FBIN) Terminal Is Used to Synchronize the Outputs to the Clock Input.
Diagrams

| Image | Part No | Mfg | Description | ![]() |
Pricing (USD) |
Quantity | ||||||||||||
|---|---|---|---|---|---|---|---|---|---|---|---|---|---|---|---|---|---|---|
![]() |
![]() CDCF2510PW |
![]() Texas Instruments |
![]() Clock Drivers & Distribution 3.3V Phase-Lock Loop Clock Driver |
![]() Data Sheet |
![]()
|
|
||||||||||||
![]() |
![]() CDCF2510PWG4 |
![]() Texas Instruments |
![]() Clock Drivers & Distribution 3.3V Phase-Lock Loop Clock Driver |
![]() Data Sheet |
![]()
|
|
||||||||||||
![]() |
![]() CDCF2510PWR |
![]() Texas Instruments |
![]() Clock Drivers & Distribution 3.3VPhase Lock Loop ClockDrvr |
![]() Data Sheet |
![]()
|
|
||||||||||||
![]() |
![]() CDCF2510PWRG4 |
![]() Texas Instruments |
![]() Clock Drivers & Distribution 3.3V Phase-Lock Loop Clock Driver |
![]() Data Sheet |
![]()
|
|
||||||||||||
(Hong Kong)









